1310nm DFB

http://localhost:8069/web/image/product.template/57/image_1920?unique=d4a6ae2

产品描述:
The DFB-1310-T5-6-A-A-A of Multi-Quantum Well (MQW) Distributed Feedback (DFB) lasers are well suited for low-cost high-speed transmitters.
The devices feature high output power, wide operating temperature range, and high side mode suppression.
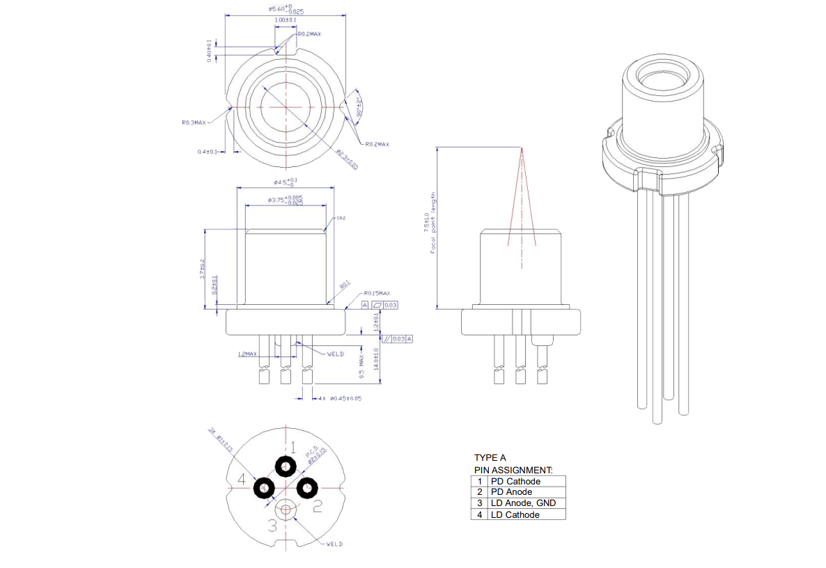
Their uncooled, hermetically sealed, TO-56 style packages are a cost-effective means of providing a low-noise light source for intermediate-reach and long-reach digital transmission applications.
产品特色:
➢ Advanced Multiple Quantum Well (MQW) Distributed Feedback (DFB) Laser Design
➢ Cost-effective Uncooled Laser Technology
➢ SMSR typ. 40 dB
➢ 5.6-mm TO-style package
应用范围:
➢ CATV return path

¥ 0.00 0.0 CNY ¥ 0.00

¥ 0.00

    此组合不存在。



    极限工作条件:


    光电特性:


    外形图与针脚排布:


    订购信息:


    安全信息: