658nm Wavelength Stabilized Laser
产品描述:
658nm Wavelength Stabilized Laser is a single mode, miniature laser in a standard TO package. The laser has a very low temperature dependence and precise center wavelength overthe locked region.The narrow linewidth and long coherence length from a standard TO packaged laser enables many applications.
产品特色:
➢ Wavelength stability (<0.015nm/ºC)
➢ Single frequency
➢ Coherence length (>2m)
➢ Hermetically sealed
➢ Custom wavelengths available
应用范围:
HeNe replacement, flow cytometry, blood flow,metrology, bio Instrumentation, Graphicarts, Raman spectroscopy, analytical
instrumentation, sensing, and data storage
极限工作条件:

操作规范:


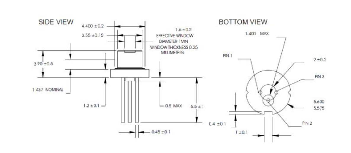
外形:

针脚排布:


